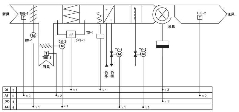
恒温恒湿控制柜系统由PLC控制器、人机界面、变频器、温度传感器,温湿度传感器,CO2传感器,风压差变送器,风压差开关,加湿器,发热丝,水阀执行器、风阀执行器、高温断路器等组成。
恒温恒湿控制系统精度要求:温度±1℃、湿度±5%;
由于设备操作对象太多且要求参数精确,已不可能用人为手工逐一操作了,我们必须借助一套智能控制系统进行自动调节,确保设备运行平稳、安全、准确!
现代的智能控制设备为PLC模块,PLC模块主要控制的参数为数字量和模拟量,数字量可以实现设备的开/停;模拟量我们来处理温度、湿度、压力、CO2、风量或流量等。

控制说明
(1) 监控功能:
-监测送回风或室内温度、湿度。
-由风压差开关测量风机两侧压差,监视风机运行状态,
异常即报警,并记录风机累计运行时间。
-监测风机故障报警。
-由风压差开关测量空气过滤器两侧压差,压差超过设定值时报警,尽快进行维护工作。
-风机启停控制。
-根据设定温度值调节冷、热水阀门开度。
-控制新风阀门开度。
(2)控制方案:
-空调机,新风阀门,冷水阀门联锁动作。
-空调机可按时间启停。
-空调机启动顺序为:打开新风阀门,启动风机,确认风机运行,调 节冷水阀门控制送风温度。
-空调机停止顺序为:关闭冷水阀门,,停止风机,关闭新风阀门。
-通过安装的温度传感器,测量出风温度,充分利用风量,节约能源。夏季、冬季工况时,室外温度值远高于或低于新风温度值时,新风风门按最小换气次数决定最小开 度,与 风机同步开启,在保证室内空气的卫生标准的前提下,最 大限度地节约能源。在过渡季节时,调整风门预设开度,最大程度地利用室外空气的焓值。






粤公网安备 44010602011516号