恒温恒湿空调系统由PLC控制器、人机界面、变频器、温度传感器,温湿度传感器,CO2传感器,风压差变送器,风压差开关,加湿器,发热丝,水阀执行器、风阀执行器、高温断路器等组成。
恒温恒湿控制系统精度要求:温度±1℃、湿度±5%;
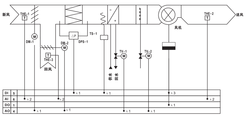
恒温恒湿控制柜控制方案如下:
a) 根据回风温度(嵌入式管道温湿度传感器)的数值,经PLC(DDC)模块运算并输出0-10V(4-20ma)调节组合式空调机比例积分阀的开度;从而控制冷冻水或热水管的流量,达到控制出风温度的目的。(注:供暖也有使用发热丝)
b) 根据回风湿度(嵌入式管道温湿度传感器)的数值,经PLC(DDC)模块运算并输出0-10V(4-20ma)调节组合式空调机加湿器的开度;达到控制出风湿度的目的。(除湿恒温状态下冷冻与加热系统并用)
C) 根据回风CO2(嵌入式管道CO2传感器)的数值,经PLC(DDC)模块运算并输出0-10V(4-20ma)调节组合式空调机新风和回风阀的开度;达到控制室内空气的质量。
d) 获取室内外的风压差(风压差变送器)的数值,经PLC(DDC)模块运算并输出0-10V(4-20ma)到变频器调节组合式空调机风机的转速;达到室内外送风的舒适感或生产技术要求。
e) 报警及保护:空气滤网报警、消防报警、风机/发热丝保护、高低温报警、阀门开到位及关到位保护、加湿器缺水报警、变频器过载报警。

由于设备操作对象太多且要求参数精确,已不可能用人为手工逐一操作了,我们必须借助一套智能控制系统进行自动调节,确保设备运行平稳、安全、准确!
现代的智能控制设备为DDC/PLC模块,PLC模块主要控制的参数为数字量和模拟量,数字量可以实现设备的开/停;模拟量我们来处理温度、湿度、压力、CO2、风量或流量等。






粤公网安备 44010602011516号