在现代工业中,电动机的启动往往是设备稳定运行的关键。电动机启动时,如果直接施加全电压,电动机启动电流会是额定电流的6到7倍,瞬间的电流冲击会对电网以及设备造成巨大的压力,甚至可能导致电气设备的损坏。为了避免这种问题,软启技术应运而生。软启动技术通过渐进增加电动机的电压,从而控制启动电流,减少电动机启动时对电网和设备的冲击,保障设备的安全运行。而实现软启动的关键之一便是软启控制柜,它负责调节电动机启动过程中的电压和电流。
软启控制柜的基本功能
软启控制柜的基本功能是控制电动机的启动和停止,确保电动机在启动过程中不会产生过大的电流冲击,同时也能够有效地保护电动机在运行中的过载、过压、欠压等故障。通过调整电动机启动时的电压,软启控制柜能显著减小启动电流,提高设备的使用寿命。
在软启控制柜内部,主要包含软启动器、接触器、断路器、热继电器等元件。这些元件协同工作,通过精确的电气接线,确保软启动过程中的电压和电流得到合理控制。
软启控制柜的接线图分析
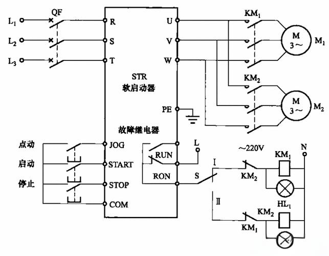
接线图是软启控制柜中至关重要的部分,它通过图示的形式将控制柜内部各个元件的连接方式和工作原理展现出来。对于电气工程师和技术人员来说,准确理解和绘制软启控制柜接线图是非常重要的,这不仅有助于安装调试,还能在出现故障时快速定位问题。
软启控制柜的接线图主要包括以下几个部分:
电源输入部分:
电源输入部分通常由三相交流电源接入,连接到断路器和软启动器的输入端。通过断路器,电源能够在电路出现过载或短路时自动切断电源,避免对设备造成损坏。
软启动器:
软启动器是控制柜的核心部分,主要通过调节电压来实现软启动功能。接线图中,软启动器的输入端接入电源,输出端则连接到电动机。软启动器内部通常有多种控制方式,如恒流控制、恒压控制等,接线图需要根据实际需求选择适当的接线方式。
接触器和继电器:
接触器是控制电路通断的关键元件,通常用于实现电动机的起停控制。继电器用于保护电路,确保电动机在启动、运行过程中不出现过载等故障。接线图中,接触器的线圈端与软启动器的控制端相连,而接触器的常开触点则用于控制电动机的电源通断。
热继电器:
热继电器用于保护电动机在过载情况下的运行。当电动机的电流超过设定值时,热继电器会自动断开电源,防止电动机因过载损坏。接线图中,热继电器与接触器相连,确保电动机的安全运行。
控制端子和信号灯:
控制端子用于连接控制电路,信号灯则用于显示软启动过程中的运行状态。接线图中,信号灯通常与软启动器的控制端相连,用于指示设备的启动、运行和故障状态。
软启控制柜接线图的安装与调试
接线图虽然是软启控制柜中最重要的部分之一,但仅仅理解接线图是远远不够的。正确的安装和调试同样至关重要。在安装过程中,需要根据接线图的指导,确保每一个元件的接线都准确无误。在调试过程中,技术人员需要检查电动机的启动情况、保护功能是否正常,确保软启动过程中的电流波动在可接受的范围内。
软启动在工业中的应用
软启动技术广泛应用于各类大型电动机的启动,尤其是在矿山、冶金、水泥、电力、化工等行业中。由于这些行业的电动机功率较大,直接启动会导致电流冲击过大,甚至可能引起电网的波动。而通过软启动,可以有效地避免这些问题,提高设备的运行稳定性,降低维护成本。
例如,在水泥厂中,球磨机等大型设备通常需要较长时间的启动过程,通过软启动控制柜,可以平稳地提升电动机的电压,避免突然启动对设备造成的损害。
在以上内容中,我们已经对软启控制柜的基本构造及接线图做了初步分析。我们将进一步深入探讨软启控制柜的工作原理、应用案例及其带来的实际效益。
软启控制柜的工作原理
软启控制柜通过调节电动机的启动电压,从而达到减小启动电流的效果。软启动的基本原理是利用电子元件(如晶闸管)逐步增加电动机的电压,使电动机从零到额定电压的过程中,电流逐渐增大,避免了电流突增造成的电气冲击。
起始阶段:
当电动机启动时,软启动器的控制电路首先向电动机施加一个低电压。这时,电动机的转速较低,启动电流也相应较小,避免了电流过载对电气设备的冲击。
加速阶段:
随着电动机转速的逐步提高,软启动器逐渐增加电动机的电压,电流也随之增加。在这一过程中,电动机的启动电流保持在一个可控的范围内,避免了电网电流突变的情况。
稳定阶段:
当电动机达到额定转速时,软启动器完全将电压提升至额定电压,电动机进入正常运行状态,软启动过程结束。
软启动技术的优势
减少电流冲击:
软启动可以有效减少电动机启动时的电流冲击,从而减小电网的负荷波动,保证电气设备的安全性。
延长设备寿命:
通过平稳启动,电动机和其他电气设备的机械冲击和电气冲击都得到了有效缓解,设备的使用寿命得以延长。
节省能源:
软启动控制柜通过优化电动机启动过程中的电压和电流,能够有效节省能源,降低电力消耗,具有良好的环保效益。
保护电动机:
软启控制柜能够在电动机过载、过压、欠压等情况下及时断开电源,保护电动机不受损坏。
实际应用案例分析
在实际应用中,软启控制柜已广泛应用于各类机械设备中。例如,矿山行业中的提升机、石料厂中的破碎机等,都是依赖软启控制柜来平稳启动,避免突发电流对设备的损害。在一些电力、化工、冶金等行业中,软启动控制柜也被用于大型电动机的启动,确保电力系统的稳定运行。
软启控制柜的市场前景
随着工业化进程的加快,电动机及其相关设备的应用越来越广泛,软启控制柜的需求也将不断增加。尤其是在智能制造、自动化控制等领域,软启控制柜将发挥更加重要的作用,帮助企业实现高效、稳定的生产过程。
软启控制柜作为电动机启动系统中的核心设备,对于提升电气设备的稳定性和可靠性具有重要意义。通过深入理解软启控制柜的接线图及工作原理,能够更好地进行设备安装、调试和维护,从而有效提高生产效率并降低故障率。





粤公网安备 44010602011516号